Telefunken EL156 seem like a king of pentode tube that many people want to taste.
My friend also bought a pair of mono-block EL156 single ended amplifiers
with all Tango transformers from ebay.
But he need new enclosure, tube rectifier and use Western Electric components.
So these are what we did with those requirements.
Original enclosure of EL156 mono-block with EF80 driver.
Wiring inside / diodes bridge rectifier.
Hirata-Tango FW-50-5S output transformer.
Hirata-Tango NN-6 “Permalloy core” input transformer.
Hirata-Tango MS-360 power transformer.
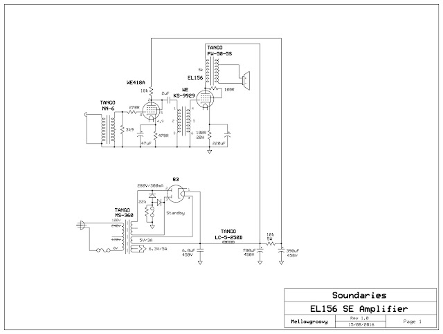
Schematic of renovated EL156 amplifier.
All main components mounted.
Bottom view, wiring with Western Electric cloth wires.
Top view / Mirror.
WE418A as a driver and WE 288A coupling capacitor with WE KS9929 interstage transformer.
#83 mercury vapor full-wave rectifier tube.
Will update later with pictures when using in owner system.
Cheers !!!





















